产品中心
智能电机与驱动解决方案

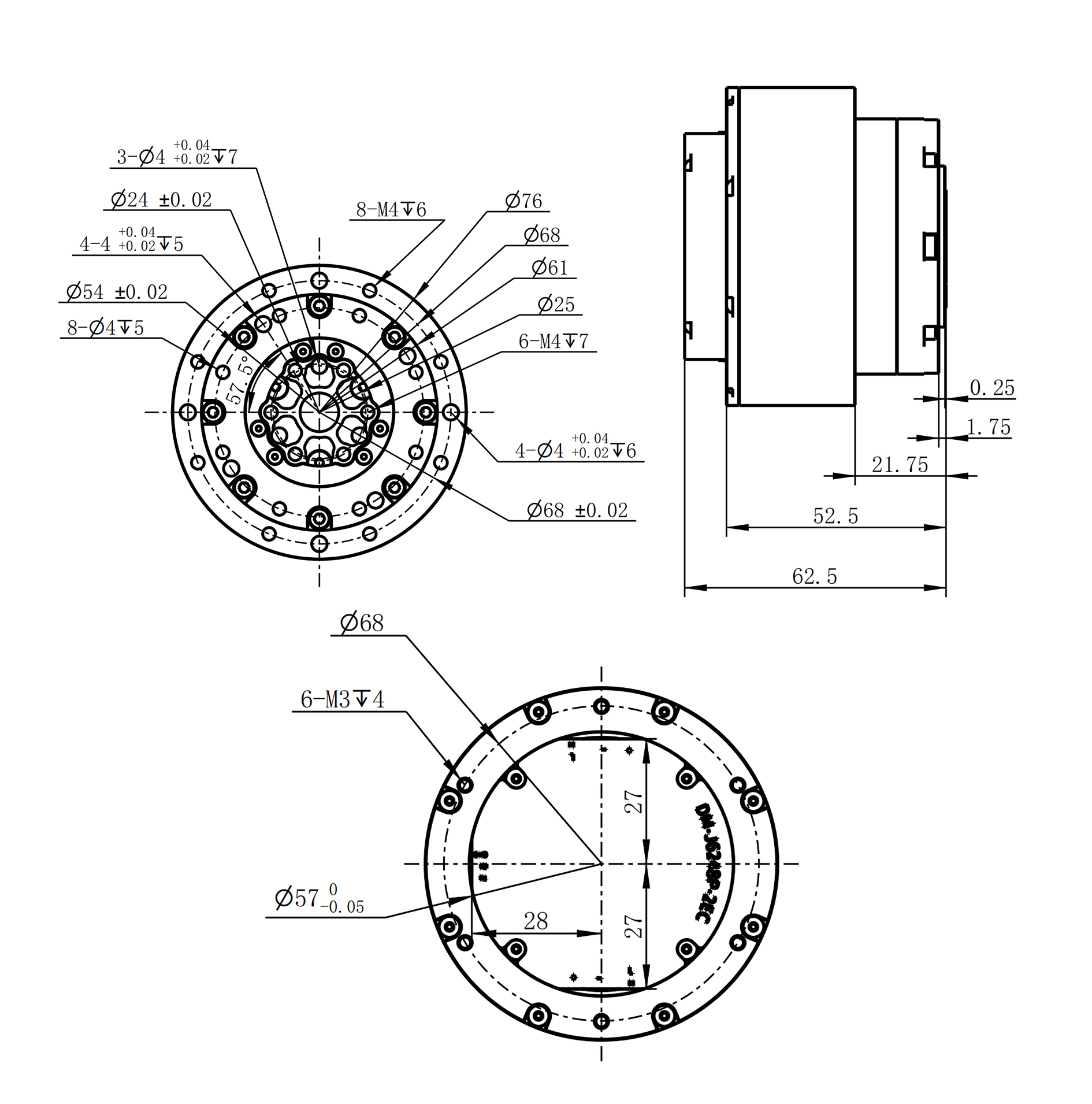
DM-J6248P-2EC

额定扭矩:30Nm 峰值扭矩:97Nm
产品介绍
产品参数

电机特色:

1. 双编码器,输出轴单圈绝对位置,不惧掉电输出轴绝对位置丢失。

2. 电机和驱动器一体化设计,结构紧凑,集成度高。

3. 支持上位机可视化调试,支持CAN读写参数。

4. 支持CAN FD,最大波特率5Mbps

5. 可通过CAN总线反馈电机速度、位置、转矩、电机温度等信息。

6. 具有双温度保护功能。

7. 支持CAN升级。










服务热线:

13560764159

地址:广东省深圳市南山区桃源街道平山社区丽山路10号大学城创业园409
邮箱:zhouchengyan@mdmbot.com

Copyright © 深圳市达妙科技有限公司
粤ICP备19140833号